IOWグループの遠心オイルセパレーターシリーズは、次世代の商業用分離技術を描きます。
- 外部モニタリング機能で保守管理が容易に
- 標準装備の内蔵ボウルで効率分離
- 無動力で高速回転
- 潤滑オイルから汚染粒子を高効率除去
- エンジンの高性能かつ経済的な動作を促進
- 重要な機械部品の摩耗防止
- 遠心力を利用して液相から固体を分離
- 必要な装置メンテナンスが軽減
- 早い初期投資回収が可能
- さまざまな業界で全世界で活躍中
主な特徴

- 新しく設計された遠心分離機は、世界中の他のどの圧力駆動遠心分離機よりも多くの有害な汚染物質を潤滑油から効率的に除去することで、エンジンの寿命、オイル交換間隔、さらには組織内の他の多くの長期的なメリットに多大な影響を与えることができます。
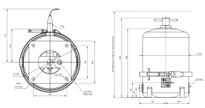
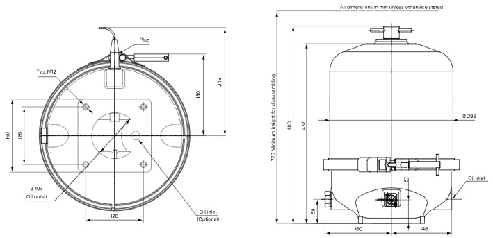
- IOW グループの特許取得済みの遠心オイルフィルターには、スラッジ監視システム (分離器制御ユニット) が標準装備されており、IOW グループの遠心オイルセパレーターでのみ利用できる独自のボウルディスク技術が備えられています。
- 様々な業界で活躍中
- IOWグループは、海洋、天然ガス、鉱業、発電,鉄道、トラック、バス、建設、農業・・・などの幅広い業界に適しており、お客様をサポートする完璧な濾過ソリューションを提供しています。





















































































































































































































































































































































































































































